YTC齒輪減速電機系列
您現在所在的位置:首頁 > YTC齒輪減速電機系列YTC齒輪減速電機
發布日期:2022-10-26

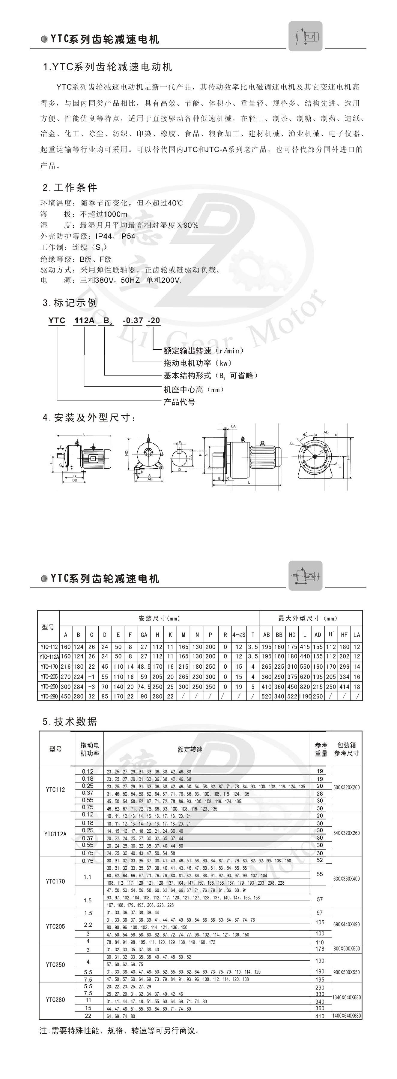
YTC系列齒輪減速電動機是新一代產品,其傳動效率比電磁調速電機及其它變速電機高得多,與國內同類產品相比,具有高效、節能、體積小、重量輕、規格多、結構先進、選用方便、性能優良等特點,適用于直接驅動各種低速機械,在輕工、制茶、制糖、制藥、造紙、冶金、化工、除塵、紡織、印染、食品、糧食加工、建材機械、漁業機械、電子儀器、起重運輸等行業均可采用。可以替代國內JTC和JTC-A系列老產品,也可替代部分國外進口的產品。
YTC系列齒輪減速電機
YTC系列齒輪減速電機 簡介:YTC系列齒輪減速電機 作為電動機的新一代產品,其傳動效率和電磁調速電機相比更好,和其他產品相比,具有高效節能、質量輕、體積小、結構先進、使用方便的特點。
YTC系列齒輪減速電機 使用范圍:廣泛應用于輕工、制茶、制糖、冶金、化工、除塵、印染、建材機械、電子儀器、起重運輸等行業,其使用范圍非常廣。
YTC系列齒輪減速電機 維護與安裝:
1、確認外觀是否破損,是否有漏油等情況出現
2、確認產品規格與設計規格是否相符,以免使用時出現故障
3、確認使用電壓,如果出現電壓不穩定可以選擇安裝穩壓器
4、確認固定機座,避免運轉傳動時松脫
5、使用相關附件之前需要仔細閱讀安裝方法,保證安裝方法的正確
6、使用時額定電流不可超過電機銘牌標示電流值
7、使用一段時間之后注意及時更換潤滑油

浙公網安備 33060402001457號 備案號: