DLS系列斜齒輪-蝸桿減速電機
您現在所在的位置:首頁 > DLS系列斜齒輪-蝸桿減速電機DLS系列斜齒輪-蝸桿減速電機
發布日期:2022-10-26

功率:0.25~22kW
轉矩:43~4000Nm
速比:7.00~11501
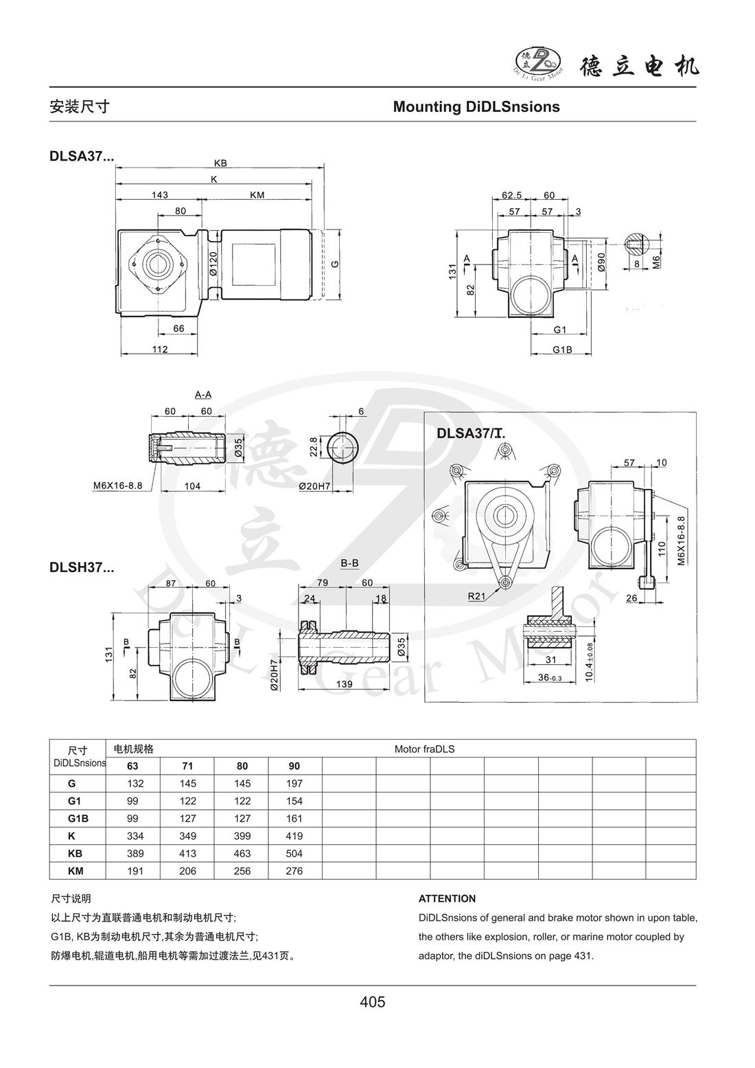
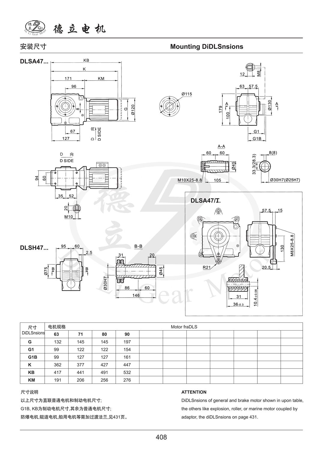
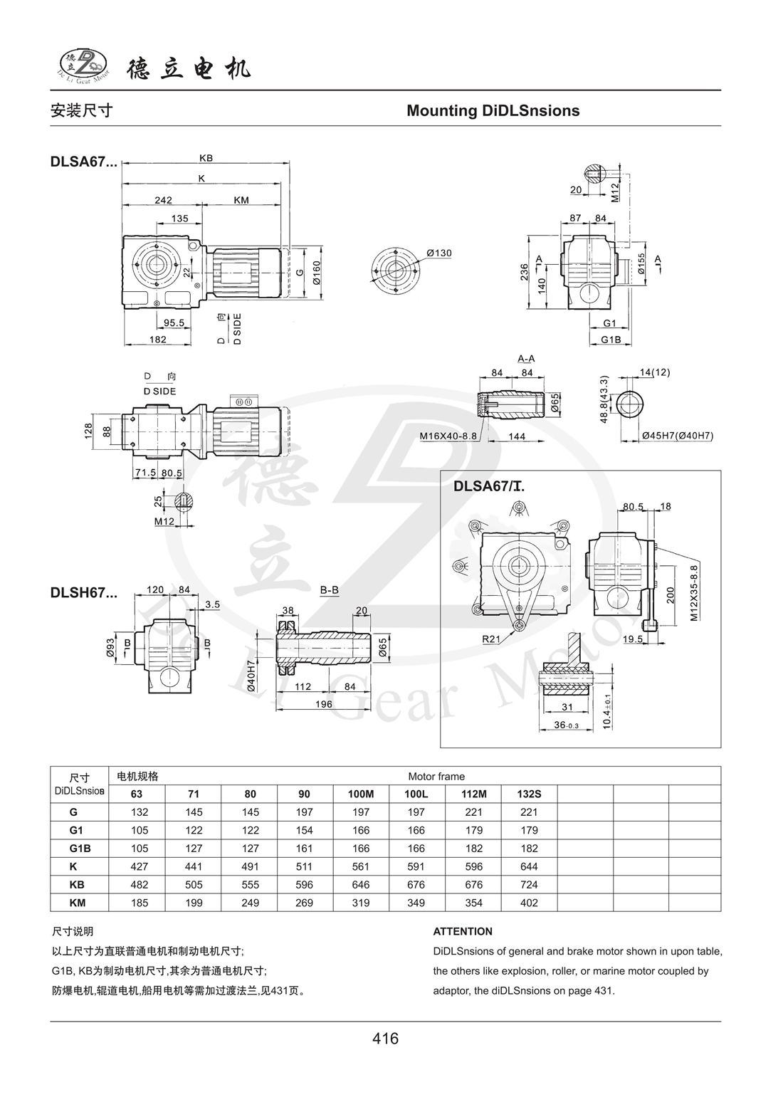
輸出軸型式:實心軸、空心軸(平鍵、花鍵、鎖緊盤)
安裝方式:地腳式、法蘭、扭力臂
S系列斜齒輪蝸輪減速機
功率:0.25~22kW
轉矩:43~4000Nm
速比:7.00~11501
輸出軸型式:實心軸、空心軸(平鍵、花鍵、鎖緊盤)
安裝方式:地腳式、法蘭、扭力臂
S系列斜齒輪蝸輪減速機
S系列斜齒輪蝸輪減速機特點:
1、結構緊湊,模塊化的設計,方便配合各種型式電動機,減速比大,提高減速機力矩與效率,加工精度高,傳動平穩,體積小,承載能力大
2、吸振強、低溫升、低噪聲,密封性能好,適應強,可在惡劣環境中連續工作,具有防腐特點
3、減速機傳動精度高
4、安裝方式多樣化
S系列斜齒輪蝸輪減速機使用條件:
1、環境溫度數-40℃-50℃
2、海拔不超過1000米
3、輸入轉速不大于1800rpm,齒輪最高圓周速度不超過22m/s
4、可用于正反轉
在使用S系列斜齒輪蝸輪減速機的時候注意在意上述注意事項,避免使用在不合適的環境下,影響我們正常使用,注意使用環境,這種減速機減速比大,根據國際技術要求制造,由斜齒輪與蝸輪蝸桿
組合一體傳動,提高減速機的力矩與效率,減速機關鍵零部件采用了高耐磨材料,經過特種處理,加工精度高,傳動平穩,體積小,承載能力大,壽命長。使用之前注意仔細閱讀使用說明,注意相關注
意事項。












.jpg)




.jpg)
.jpg)






.jpg)








































浙公網安備 33060402001457號 備案號: